产品概述
性能特点
重载型
膨胀式阀座可降低阀瓣和阀座的磨损
较长的阀门寿命
较小的阀座磨损
阀瓣碰撞极其微小
超低的扭矩要求
较低的执行器能量需求
较大的密封接触面积
对磨蚀性物料和干散固体具有经过验证的优越性
阀瓣的设计可防止物料的堆积
双轴密封
多重轴承
安全保险监视
工作原理
关闭,未密封状态当阀门运动到关闭位置时,阀瓣只瞬间接触阀座,从而减低摩擦、磨损和扭矩的需求。
关闭,密封状态阀门关闭后,阀座向着阀瓣膨胀,从而提供了更大密封面,并对阀瓣提供均匀的压力分布。
打开,未密封状态打开阀门门前,阀座先排气收缩,然后阀盘自由转动至开启位置。
材质:
阀体材质:铸钢、不锈钢(304、316、316L)
阀座: 丁腈橡胶、三元乙丙橡胶、氟橡胶、硅橡胶
阀板: 304、304覆碳化钨、304覆特氟龙等
气动执行器: ACT 型角行程
电磁阀: DC24、AC220
信号反馈:APL-210、APL-410
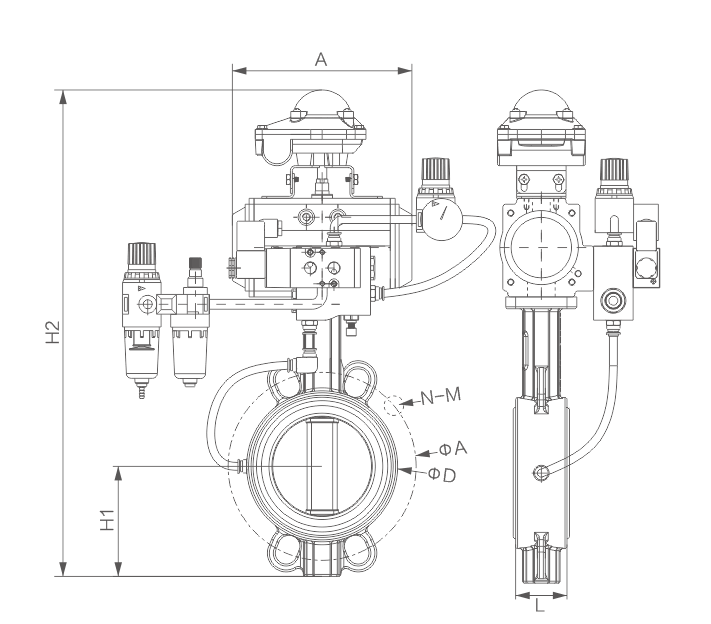
产品尺寸图

主要外形连接尺寸
50
通径
L
ΦA(PN10/16)
H1
N-M(PN10/16)
H2
ΦD
A
42
125
55
4-16
389
95
155
65
44
145
64
4-16
411
114
155
80
44
160
73
8-16
426
126
155
100
50
180
88
8-16
492
154
219
125
56
210
102
8-16
519
180
219
150
56
240
115
8-20
558
206
249
200
60
295
149
8-20/12-20
642
264
274
250
68
350/355
184
12-20/12-24
722
320
315
300
78
400/410
207
12-20/12-24
819
370
417
350
78
460/470
247
16-20/16-24
931
430
452
400
102
515/525
275
16-24/16-27
971
480
540
450
114
565/585
307
20-24/20-27
1091
550
585
500
127
650/656
330
20-24/20-30
1184
590
685
600
151
725/770
400
20-27/20-33
1375
695
743